BRIEF INFORMATION: CA3X series Compressed Air Horns

➔ Wide and far reaching sound
➔ Chromed finished trumpet
➔ With flat connections of 6.3 mm, open, blade type
➔ For vehicles with a compressed air brake system
➔ CA34 horn set includes mounting kits

PRODUCT FEATURES

Application

Horns are a mandatory part of the safety equipment of a vehicle. A particularly perceptible sound is necessary in order to be able to warn other road users optimally in dangerous situations. Our signal horns offer you a high level of functional reliability.

 

Design and function

➔ The sound is generated in the spiral horn by the vibration of two metal diaphragms set in vibration by the pressurized air produced by the electric compressor.
➔ The diaphragms that are positioned inside the acoustic chambers press on the sealing lip which forms the inlet of the acoustic duct.
➔ When a certain pressure is generated inside the acoustic chambers, the diaphragms move away from the lip resulting in passage of air and pressure drop, and then close again on the lip.
➔ The cyclic repetition of this phenomenon generates the sound waves.

TECHNICAL DETAILS

Technical data
Short Code CA30 CA32 CA34
Rated voltage 12 V or 24 V 12 V or 24 V 12 – 24 V
Frequency range 400 Hz 370 / 415 Hz 300 / 350 Hz
Sound pressure level @ 2 m ≥ 120 dB ≥ 120 dB(A) ≥ 122 dB(A)
Power consumption 24 W (12 V)
24 W (24 V)
41 W (12 V)
77 W (24 V)
48 W
Compressor included No
Operating temperature - 40 °C to +75 °C
Protection class IP 54
Service life 50,000 cycles (ECE-R28)
Housing material ABS
Type approval ECE-R28
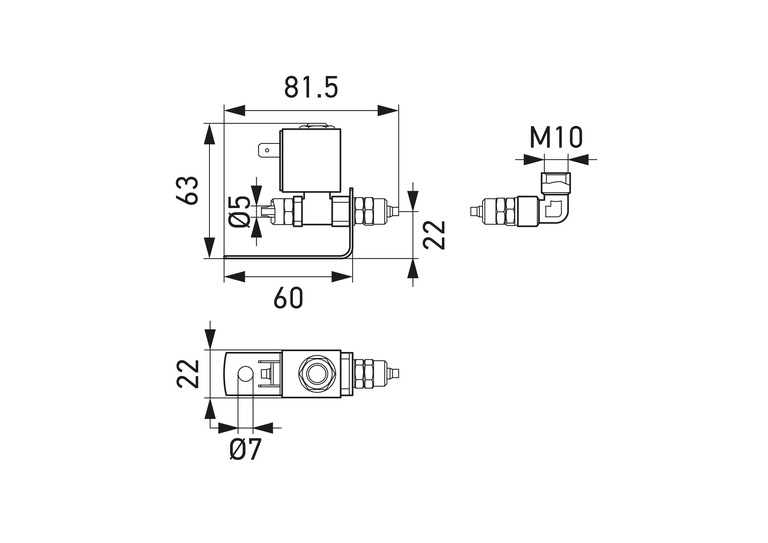
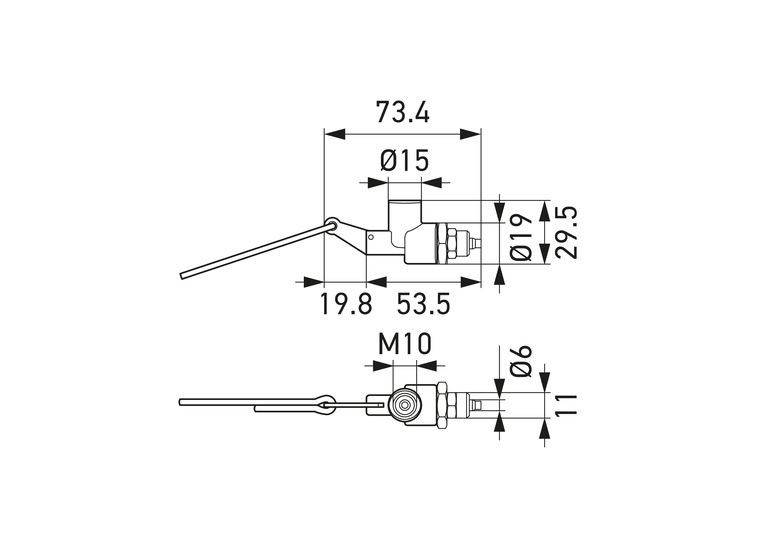
Dimensional sketches